|
| 产品展示 Product |
|
| |
| 联系我们 Contact |
| |
| 无锡恒泰液压气动成套 |
| 地址: |
无锡市胡埭镇西溪中心路60号 |
| 电话: |
0510-85538188 |
| |
0510-85595577 |
| 传真: |
0510-85538553 |
| 邮编: |
214161 |
| 网址: |
www.wxhengtai.com |
| 邮箱: |
sales@wxhengtai.com |
|
|
|
|
|
|
|
| |
|
| ▲轴向底座型、耳环型外形安装尺寸表: |
缸径 |
AB |
TR
AH |
AO |
AT |
CB
EW |
CD |
FL |
L |
MR |
SA |
UB |
XA |
XD |
32 |
7 |
32 |
11 |
3 |
26 |
10 |
20 |
14 |
10 |
140 |
45 |
144 |
142 |
40 |
9 |
35 |
11 |
3 |
28 |
12 |
25 |
16 |
11 |
159 |
52 |
161 |
158 |
50 |
9 |
45 |
15 |
3 |
32 |
12 |
25 |
16 |
12 |
166 |
60 |
171 |
166 |
63 |
9 |
50 |
15 |
3 |
40 |
16 |
32 |
22 |
15 |
185 |
70 |
190 |
192 |
80 |
12 |
63 |
20 |
6 |
50 |
16 |
36 |
24 |
16 |
210 |
90 |
215 |
210 |
100 |
14 |
75 |
20 |
6 |
60 |
20 |
41 |
26 |
20 |
220 |
110 |
230 |
230 |
125 |
16 |
90 |
22 |
7 |
70 |
25 |
50 |
32 |
25 |
250 |
130 |
268 |
275 |
160 |
18 |
115 |
22 |
9 |
90 |
30 |
55 |
35 |
28 |
300 |
170 |
320 |
313 |
200 |
22 |
135 |
25 |
9 |
90 |
30 |
55 |
35 |
28 |
320 |
170 |
345 |
335 |
250 |
26 |
165 |
25 |
9 |
110 |
40 |
70 |
48 |
39 |
350 |
200 |
380 |
375 |
320 |
33 |
200 |
40 |
10 |
120 |
45 |
80 |
50 |
45 |
390 |
220 |
425 |
420 |
|
|
|
|
| |
|
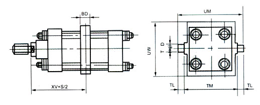
| ▲方法兰型、中间轴销型外形安装尺寸表: |
缸径 |
BO |
FB |
MF |
R |
TD |
TF |
TL |
TM |
UF |
UM |
UW |
W |
XV |
ZJ |
32 |
25 |
7 |
8 |
32 |
12 |
64 |
12 |
50 |
80 |
74 |
53 |
18 |
74 |
122 |
40 |
30 |
9 |
10 |
36 |
16 |
72 |
16 |
63 |
88 |
95 |
58 |
20 |
81.5 |
133 |
50 |
30 |
9 |
10 |
45 |
16 |
90 |
16 |
75 |
110 |
107 |
70 |
25 |
88 |
141 |
63 |
35 |
9 |
12 |
50 |
20 |
100 |
20 |
90 |
120 |
130 |
85 |
23 |
97.5 |
160 |
80 |
35 |
12 |
16 |
63 |
20 |
126 |
20 |
110 |
150 |
150 |
105 |
30 |
110 |
174 |
100 |
45 |
14 |
16 |
75 |
25 |
150 |
25 |
132 |
184 |
182 |
126 |
35 |
120 |
189 |
125 |
45 |
16 |
18 |
90 |
25 |
180 |
25 |
160 |
210 |
210 |
155 |
43 |
143 |
225 |
160 |
60 |
18 |
20 |
115 |
32 |
230 |
32 |
200 |
268 |
264 |
195 |
62 |
170 |
258 |
200 |
60 |
22 |
20 |
135 |
32 |
270 |
32 |
250 |
320 |
314 |
240 |
70 |
185 |
280 |
250 |
70 |
26 |
25 |
166 |
40 |
330 |
40 |
320 |
394 |
400 |
300 |
80 |
205 |
305 |
320 |
80 |
33 |
30 |
200 |
50 |
400 |
50 |
400 |
475 |
500 |
380 |
90 |
230 |
340 |
|
|
|
|
|
|
|
|
|
|