|
| 产品展示 Product |
|
| |
| 联系我们 Contact |
| |
| 无锡恒泰液压气动成套 |
| 地址: |
无锡市胡埭镇西溪中心路60号 |
| 电话: |
0510-85538188 |
| |
0510-85595577 |
| 传真: |
0510-85538553 |
| 邮编: |
214161 |
| 网址: |
www.wxhengtai.com |
| 邮箱: |
sales@wxhengtai.com |
|
|
|
|
|
|
|
| |
|
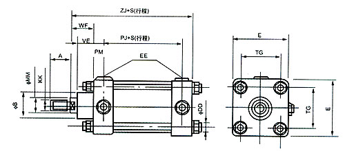
| ▲外形尺寸表: |
型号规格 |
A |
B |
DD |
E |
EE |
KK |
MM |
PJ |
PM |
TG |
VE |
WF |
ZJ |
缓冲行程 |
QGS32 |
22 |
28 |
M6 |
50 |
M10*1G1/8" |
M10*1.25 |
12 |
74 |
11 |
35 |
18 |
26 |
122 |
15 |
QGS40 |
24 |
32 |
M6 |
55 |
M14*1.5G1/4" |
M12*1.25 |
16 |
78 |
12.5 |
40 |
23 |
30 |
133 |
15 |
QGS50 |
32 |
36 |
M6 |
62 |
M14*1.5G1/4" |
M16*1.5 |
20 |
81 |
12.5 |
47 |
25 |
35 |
141 |
15 |
QGS63 |
32 |
36 |
M8 |
78 |
M18*1.5G3/8" |
M16*1.5 |
20 |
95 |
15 |
58 |
25 |
35 |
160 |
20 |
QGS80 |
40 |
45 |
M10 |
95 |
M18*1.5G3/8" |
M20*1.5 |
25 |
98 |
15 |
72 |
30 |
46 |
174 |
20 |
QGS100 |
40 |
50 |
M10 |
115 |
M22*1.5G1/2" |
M20*1.5 |
25 |
103 |
17.5 |
88 |
35 |
51 |
189 |
20 |
QGS125 |
54 |
60 |
M12 |
140 |
M22*1.5G1/2" |
M27*2 |
32 |
122 |
21 |
108 |
44 |
61 |
225 |
20 |
QGS160 |
72 |
70 |
M16 |
180 |
M27*2G3/4" |
M36*2 |
45 |
131 |
22.5 |
136 |
52 |
82 |
258 |
20 |
QGS200 |
72 |
70 |
M16 |
220 |
M27*2G3/4" |
M36*2 |
45 |
144 |
23 |
180 |
59 |
90 |
280 |
25 |
QGS250 |
84 |
84 |
M20 |
272 |
M33*2G1" |
M42*2 |
50 |
152 |
24 |
225 |
63 |
105 |
305 |
25 |
QGS320 |
100 |
100 |
M24 |
340 |
M33*2G1" |
M48*2 |
63 |
172 |
24 |
280 |
74 |
120 |
340 |
25 |
|
|
|
| ▲活塞杆用连接件(代号:LZ)外形尺寸表: |
缸径 |
CE |
CK |
CL |
CM |
DA |
ER |
KK |
LE |
32 |
38 |
10 |
40 |
12+0.3+0.1 |
20 |
20 |
M10*1.25 |
15 |
40 |
45 |
12 |
44 |
16+0.3+0.1 |
24 |
24 |
M12*1.25 |
20 |
50、63 |
54 |
16 |
44 |
16+0.3+0.1 |
28 |
28 |
M16*1.5 |
20 |
80、100 |
70 |
20 |
66 |
30+0.3+0.1 |
36 |
36 |
M20*1.5 |
28 |
125 |
88 |
25 |
71 |
32+0.3+0.1 |
44 |
44 |
M27*2 |
32 |
160、200 |
115 |
32 |
80 |
36+0.3+0.1 |
58 |
58 |
M36*2 |
40 |
250 |
130 |
40 |
92 |
42+0.3+0.1 |
64 |
64 |
M42*2 |
50 |
320 |
148 |
50 |
110 |
50+0.3+0.1 |
70 |
70 |
M48*2 |
63 |
|
|
|
|
|
|
|
|
|
|