|
|
|
|
|
|
|
 
 
 
 
 
 
 产品展示 Product
 液压缸系列
1. DG系列车辆液压缸
2. HSG系列工程液压缸
3. Y-HG1系列冶金设备液压缸
4. JB2162-77系列方形端盖重型冶金设备液压缸
5. JB/ZQ4395-86系列重型冶金设备液压缸
6. W70L-1、W140L-1轻型拉杆液压缸系列
7. CD/CG250、350系列重载液压缸
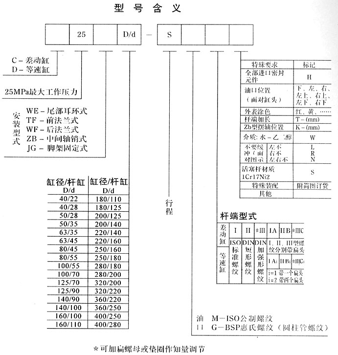
8. C25、D25系列高压重型液压缸
9. YZG系列木业压机柱塞油缸
 气缸系列
1. QGS国际标准型系列
2. JB冶金设备用气缸系列
 液压系统
 活塞杆系列
 气动元件
 
 联系我们 Contact

无锡恒泰液压气动成套
地址: 无锡市胡埭镇西溪中心路60号
电话: 0510-85538188
  0510-85595577
传真: 0510-85538553
邮编: 214161
网址: www.wxhengtai.com
邮箱: sales@wxhengtai.com

 

 
 产品展示 Product
 
 
C25、D25系列高压重型液压缸   [1] [2] [3] [4]
 
 
 
 
 

Copyright 2007-2008 无锡恒泰液压气动成套厂 地址:无锡市胡埭镇西溪中心路60号 邮编:214161
联系人:朱晓峰 手机:13961818625 电话:0510-85595577 85538188 传真:0510-85538553 苏ICP备08104276号       无锡君通科技技术支持与维护